
产品名称:拨杆
材料:35
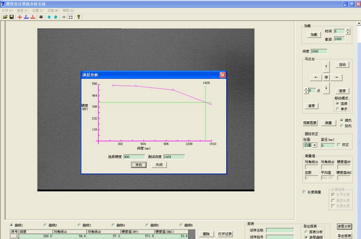
要求:卡槽面淬火45-55HRC,淬硬层深400HV1=0.76-2.54mm
热处理设备:HT-6010AB电子管9.1成人免费看片淬火机
工艺:高频老师调的,

经锻造-机加工后的产品

工装侧面

工装正面
淬火过程

测有效硬化层深1.428mm
|联系91看片神器APP
第一时间了解91看片神器APP的新产品发布和最新的资讯文章。
广东91看片神器APP智能科技有限公司,是国内较早研制中高频9.1成人免费看片加热设备的生产厂家,集聚多位专业从事9.1成人免费看片加热设备工程师专家、集研发、设计、生产制造、销售、服务于一体民营企业。已经通过 CE认证,ISO9001体系认... 您有什么问题或要求吗?
点击下面,91看片神器APP很乐意提供帮助。 联系91看片神器APP